| 连接器类型 | 插座/插头 | 部件部分 | |
|---|---|---|---|
| 参考规格 | 安全规格 | ||
| 传输规格 | 传输速率 | ||
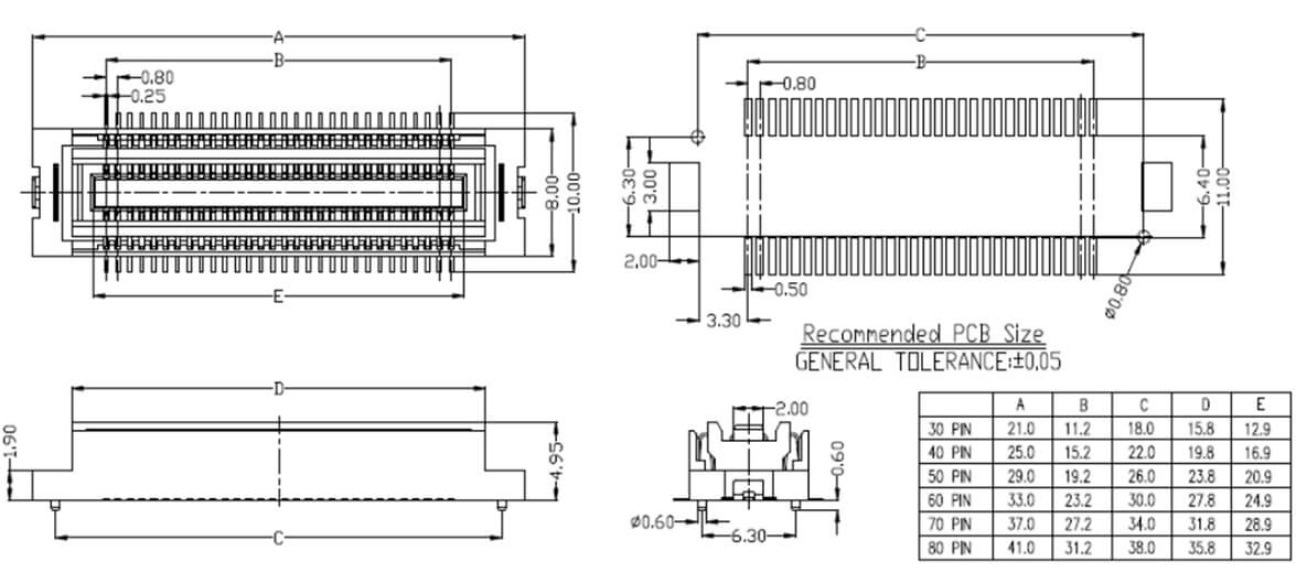
| 开口间距 | 0.80 MM | 安装间距 | 0.80 MM |
| (MM)宽度 | (MM)宽度 | ||
| 嵌合高度(Max.) | 6.0、8.0、9.0、14.25、15.75、17.0、20.95MM | 嵌合高度 | 6.0、8.0、9.0、14.25、15.75、17.0、20.95MM |
| PIN数 | 30,40,50,60,80PIN | 其他PIN数 | |
| 浮动设计 | 有 | 插拔次 | 100 |
| 安装方法 | SMT | 开口方向 | 笔直 |
| 接触部电镀 | 金 | 额定电流 | 0.5 A |
| (AC)额定电压 | AC 50.0 V | (DC)额定电压 | DC 50.0 V |
| (MAX.)使用温度范围 | 105 ℃ | (MIN.)使用温度范围 | -40 ℃ |


















